By using our website, you consent to the use of cookies in accordance with our Cookie Policy.
Modify settings
Accept
Required cookies
These cookies help make the webshop usable and workable.
Marketing cookies
These cookies help us to display advertisements and products that match your interests in the webshop.
×
PARKER OPEN DAY
Sign up
Log in
Quick Quote
Contact us
Payment, Shipping
Services
Articles
Manufacturers
English
HUF
EUR
+36 (1) 278 2303
Our Products
Pipes and Rods
Hydraulic Steel Pipes
Galvanized
Unprocessed
Stainless
Chromed materials
Bars
Chromed Round Steel Bars – 20MnV6
Chrome-Plated Round Steel - 38MnVS6 Hardened
Chrome-Plated Round Steel - 42CrMo4
Chrome-Plated Round Steel - 42CrMo4 Hardened
Chrome-Plated Round Steel - 42CrMo4 QT
Chrome-Plated Round Steel - CK45
Chrome-Plated Round Bars - CK45 Hardened
Chrome-Plated Stainless Steel Round Bars
Pipes
Seamless Honed Tubes
Seamless Raw Steel Tubes
Hydraulic cylinder parts
Rod Guides
Standard
Short
Medium-Length
S300
Heavy
With Cushioning
For Plunger Cylinder
Pistons
Standard
Short
With Cushioning and Self-Locking
For Plunger Cylinder
Threaded
Threaded - Short
Threaded - Self-Locking
Threaded - Self-Locking PDH
Threaded - PDH
Threaded - GER
Threaded - With Guide
Threaded - Two-Piece
End Plugs
Standard
Centered
Threaded
Heavy
With Oil Inlet
Rear Oil Inlet
With Cushioning and Oil Inlet
With Cross-Hole Oil Inlet
Cross-Hole Mountable
Radial Ball Joints
GE..ES
GE..ES 2RS
GE..LO
GE..HO 2RS
GE..FO
GE..FO 2RS
GE..UK
GE..UK 2RS
GE..FW
GE..FW 2RS
GE..TGR
GE..TGR 2RS
Cylinder and Rod Ends
Internal Thread
External Thread
Weldable
Spherical Base
Collars
Forked
Fork pivots
Ports
Internal Thread
External Thread
Blind
Plastic Plugs
Glycodur Bushings
Rings
Self-Locking Nuts
Sealing kit
Seals
Piston Seals
KGD
Piston rings
KPD
K2
K8
K9
K25
K50
YB(K8)
UP
UN
Groove Rings
UP
UN
Rod Seals
AD
K51
S1
SD
HP Wiper Seal
S2
XAB
S8
Wipers
A27
A3
K30
SA
SAB
SAD
SAG
SMA
SMI
O-Rings
EPDM
FPM
MVQ
NBR70
NBR90
Seal Cords
MVQ
NBR70
Guide Strips
Hard Fabric
PTFE-Bz
Guide Rings
Washers
Copper Washers
Hose Fitting Seals
USIT
Tools
Seal Kits
For Washers
For Cylinders
O-Ring Kit Boxes
X-Rings
Oil Seals
NBR - TC
FPM - TC VIT
Pressure-Resistant NBR - TCN
Pressure-Resistant FPM - TCN VIT
Pneumatics
Pneumatic cylinder seals
Pumps
Axial Piston Pumps
Fixed
Pressure-Regulated
Power-Regulated
Gear Pumps
Motor
Accessories
Single Circuit
Dual Circuit
Triple Circuit
Quadruple Circuit
Internal gear pump
Hand Pumps
Component
Pipeline
Tank
Tank Mountable
Vane Pumps
CAM Ring
Bearing
Screw
Cover
Fixed Displacement
Pressure-Regulated
Retainer
Pin
Cartridge
Housing
Shaft
Seal
Accessories
Pump Brackets
Bracket
Gear Pump
Metric
SAE
Accessories
Couplings
Pipe Diaphragm
Fixed
Gear Ring
Jaw
Star Insert (Spider)
Machined
Raw
P-Type
Protection
Diaphragm pump
Valves
Flow Control Valves
Flow Divider-Combiner
Throttle
Check-Throttle
Three-Way Flow Divider
Two-Way Flow Divider
Hose Break Valve
Pressure Control Valve
Proportional Pressure Reducing Valve
Proportional Pressure Relief Valve
Brake Valve
Dual Brake Valve
Dual Pressure Relief Valve
Shut-Off Valve
Pressure Reducing Valve
Pressure Relief Valve
Sequence Valve
Accessories
Directional Control Valves
Base-Mounted
Pipe-Mounted
Cartridge
Sandwich Plate
Stackable
Accessories
Seat Valve Modules
Cover
Complete
Seat
Accessories
Check Valves
Shuttle Valve
Pilot-Operated Check Valve
Check Valve
Accessories
Electrical Connector
Proportional Controller
Filters
Oil Filler and Air Breather
Element
Complete Metal (A)
Complete Plastic (B)
Air
Breather
Element
Complete Metal (A)
Complete Plastic (B)
Complete Spin-On
Moisture absorbent
Accessories
Off-Line
Element
Complete
Mobile Hydraulics
Element
Air
Cartridge
Pressure Line
Element
Clogging Indicator
Housing
Complete
Accessories
Spin-on
Head
Complete
Cartridge
Suction Line
Element
Clogging Indicator
Housing
Complete
Metal Strainer (B)
Metal Strainer (B) - MPA
Metal Strainer (B) - MPM
Plastic Strainer (A)
Plastic Strainer (A) - STR
Accessories
Return Line
Element
Clogging Indicator
Housing
Complete
Accessories
Water
Element
Housing
Other
Subplates and Housings
Base Plate
FRM16
NG06
Stackable
With Limit Stop
HIGH | LOW
NG10
With Limit Stop
HIGH | LOW
NG16
NG25
Manifold Block
Housing
2-Way
DBD06
DBD10
M20
M42
SAE08
SAE10
SAE12
3-Way
M22
TVTP
Sandwich Plate
Measuring Point
SAE08
Series Block
NG06
NG10
NG16
Switching Plate
End Plate
NG06
NG10
NG16
Hydraulic motors
Gear Motors
Orbit Motors
Steering Orbit
MH
MM
MMS
MP
MR
MRN
MS
MSS
MT
MTS
MV
MVW
Accessories
Torque - Char - Lynn
Torque - TF Series
Seal Kit
Other
Radial Piston Motors
MK Series
ML Series
MS Series
Hydraulic accumulators
Parts
Adapter
Bracket
Clamp
Rubber Ring
Spare Bladder
Seal Kit
Complete Units
Piston Type
Diaphragm Type
Bladder Type
Valve
Safety Valve
Shut-off valve
Valve Needle
Charging Kit
Protective Block
Charging Kit
Heat exchangers
Tube type
Plate type
Air Cooled
Accessories
Diagnostics
Flow Meters
Flow Indicator
Flow Switch
Temperature Gauges
Electrical
Optical
Pressure Switches
Diaphragm
Pressure Switch
Sandwich Plate
Accessories
Spool Type
Vacuum
Pressure Gauges
Non-Damped
Damped
Electronic
Valves
Accessories
Pressure Transmitters
A - 4-20mA
B - 0-10V
Accessories
Sensors
HEDE
Temperature
SCP
SCPSD
Level Indicators
Electrical
Mechanical
Optical
Testers
Hoses
Hydraulic Hoses
Steel Reinforced Hoses
Twin Hoses
Measuring Hoses
Plastic Hoses
Suction Hoses
Textile Reinforced Hoses
Industrial Hoses
Exhaust Hoses
Washing Hoses
Nitrogen Hoses
Pressure Hoses
Push-Lok Hoses
Compressed Air | Water Hoses
Spiral Hoses
Abrasive Blasting Hoses
Suction-Pressure Hoses
Teflon Hoses
Fuel Hoses
Water Hoses
Vacuum hose
Other air | water
Hose Assemblies
Safety
Clamp
Bowden
Hose Fittings
Flange Retainers
Single Piece
Pair
Hose Connectors
Non-Skived
BSP
Straight
Male Threaded
45° Elbow
90° Elbow
Pipe End
Straight
45° Elbow
90° Elbow
French
Straight
Male Threaded
Gas Bottle
JIC
Straight
Male Threaded
45° Elbow
90° Elbow
Karcher
JIS | K
DKOL | CEL
Straight
Male Threaded
45° Elbow
90° Elbow
DKOS | CES
Straight
Male Threaded
45° Elbow
90° Elbow
DKL
Straight
90° Elbow
DKM | Metric 60° Cone
Straight
90° Elbow
NPT
ORFS
Straight
Male Threaded
45° Elbow
90° Elbow
SFL
Straight
45° Elbow
90° Elbow
SFS
Straight
45° Elbow
90° Elbow
Banjo Inch
Banjo Metric
Couplers
JIS / T
Straight
Male Threaded
90° Elbow
Breakaway Safety Connectors
BSP
Straight
45° Elbow
90° Elbow
JIC
Straight
Male Threaded
45° Elbow
90° Elbow
DKOS / CES
Straight
Male Threaded
45° Elbow
90° Elbow
NPT
ORFS
Straight
45° Elbow
90° Elbow
Flanged Caterpillar
Straight
45° Elbow
90° Elbow
SFL
Straight
45° Elbow
90° Elbow
SFS
Straight
45° Elbow
90° Elbow
Measuring Connections
Manometer
Measuring Point
DKOL / CEL
Straight
90° Elbow
DKOS / CES
Reusable Fittings
BSP
Metric
Sleeves
Non-Skived
1SC
1SN / 1SC / 2SC
1SN / 2SN
1SN / 2SN / 2SC
Skived
Breakaway Safety
1SN
1SN / 2SN / 2SC
2SN
4SP
Measuring
Plastic
Suction
Teflon
Textile
Protection
Metal
Heat-Resistant
Plastic
Connectors
Clamps
AWAB
Pipe clamp
Single
Double
Heavy-duty
Rubber-coated
Heavy-duty
Accessories
Other
CETOP Flanges
Fittings
Tube Couplings - ATE
BSPP
Metric thread
Straight adapter - AD
Straight fitting - G
Straight screw-in fitting - GE
Straight Weldable - AS
Miscellaneous
Straight connector - GZ
Straight Reducing Connector - GZR
Straight Screw-On - GAI
Straight Screw-in Insert - EGE
Straight Reducer - GR
Wall-through fitting - SV
Wall-through elbow - WSV
Weldable tube end - SKA
Swivel Nut - M
Coupling - KAR
K-fitting
Elbow Fitting - W
Adjustable Elbow Fitting - WEE, WH
Screw-in Elbow Fitting - WE
Elbow Connector - WZ
Elbow adapter - EW
L-fitting Insert - EL
Elbow 45°
Pressure Gauge Connection - MAV, MAVE, SSV
Test Point - MNMB DKO, EMA3
Reduction adapter - RED
T - fitting
Adjustable T-fitting - TEE, TH
Screw-in T-fitting - TE
T - fitting Insert - ET
Reducing T-fitting - TR
Cutting ring - DKA, DPR, DOZ
Reducer/Changing Adapter - RI
Plug for Swivel Nut - ROV
Plug for Manifold - VSTI
Plug for Swivel Nut - BUZ, VKA
Sealing Swivel Nut - VKAM
Flanged
Stainless Steel Fittings (INOX)
Adjustable elbow
Threaded
Threaded elbow
BSP - NPT
Straight
Straight adapter
EL fitting
ET fitting
Wall-through fitting
Wall-through elbow
Weldable
Union nut
Elbow
Elbow adapter
Manometer fitting
Metric - NPT
Reducer
T fitting
Cutting ring
Flanges
Flange
3000PSI
6000PSI
Straight flange
3000PSI
6000PSI
Counter flange
3000PSI
6000PSI
Elbow flange
3000PSI
6000PSI
SAE gauge
End flange
Rotary Fittings
Straight
Elbow
Quick Couplings
PAV
PBV
PDV
Accessories
PLT
Dust cover
PPV
PVM
PVS
PVV
Other
Compensators
Pump Fittings
Straight
Elbow
Water Fittings
Tap
Quick Coupling
Fitting
Accessories
Check valve
Other
Plumbing Materials
Female - Female
Straight
EL fitting
ET fitting
Elbow
Elbow adapter
Reducer
T fitting
Plug
Sealing Plate
Pneumatics
Connectors
Push-in
Functional fitting
Silencer
Union-type
Fitting
Quick coupling
Manifolds
Other
Quick
Air Preparation Units
Soft start valve
Air preparation unit
Pressure gauges
Pressure regulator
Lubricator
Filter
Filter-regulator
Accessories
Other
Motor
Cylinders
ISO 15552 – Profile
ISO 21287 – Compact
ISO 6432 – Round profile
Clamping
Accessories
Other
Valves
Tubes
PA
PTFE
PU
Other
INOX
Seals
Pneumatic cylinder seals
Manufacturers
Parker
Danfoss
Eaton
MP Filtri
Rexroth
Ronzio
Vickers
2mp
ASA Hydraulik
Denison
EPE
Poclain
Sun
AMI
Atos
B&C
Berarma
Bosch
Brevini
Bucher
Ciocca
Comatrol
Hydac
Kladivar Ziri
TDZ Hydraulics
Tognella
Tokyo Keiki (Tokimec)
Dentex
Supplementary materials
Other machine accessories
Electronics
Connector
Switches
Sensor | Actuator cable
Electric motor accessories
Power supplies
Accessories
Mechanics
Gas spring
Hand tools
Latch
Rail
Belt
Work cylinders
Single-acting
Plunger-type
Screw
Internal keyway
Lubrication system
Connector
Home
Subplates and Housings
Base Plate
NG16
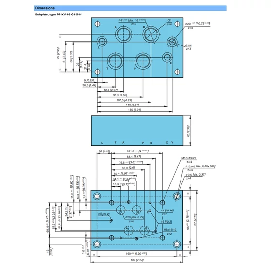
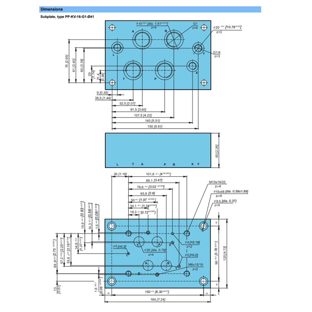
Subplate - NG16 - PP-KV-16-G1-FI41
Payment and shipping information
Our services
Contact
162.5000 €
+ VAT
Qty:
pcs
Add to Cart
Subplate - NG16 - PP-KV-16-G1-FI41
162.5000 €
+ VAT
Qty:
pcs
Add to Cart
Main category
Subplate
SubCategory
NG16
Manufacturer
Poclain
Manufacturer article number:
PP-KV-16-G1-FI41
Model:
HVGA16SG1FI41
Availability:
1 pcs in stock
Manufacturer:
Poclain
Similar products
Subplate - NG16 - ES 16-02-100-0
193.7500 € + VAT
Add to my wishlist
Subplate - NG16 - 0-245bar - ES 16-02-100-1-1-H
218.7500 € + VAT
Add to my wishlist
Log In
Registration
Pipes and Rods
Hydraulic Steel Pipes
Galvanized
Unprocessed
Stainless
Chromed materials
Bars
Chromed Round Steel Bars – 20MnV6
Chrome-Plated Round Steel - 38MnVS6 Hardened
Chrome-Plated Round Steel - 42CrMo4
Chrome-Plated Round Steel - 42CrMo4 Hardened
Chrome-Plated Round Steel - 42CrMo4 QT
Chrome-Plated Round Steel - CK45
Chrome-Plated Round Bars - CK45 Hardened
Chrome-Plated Stainless Steel Round Bars
Pipes
Seamless Honed Tubes
Seamless Raw Steel Tubes
Hydraulic cylinder parts
Rod Guides
Standard
Short
Medium-Length
S300
Heavy
With Cushioning
For Plunger Cylinder
Pistons
Standard
Short
With Cushioning and Self-Locking
For Plunger Cylinder
Threaded
Threaded - Short
Threaded - Self-Locking
Threaded - Self-Locking PDH
Threaded - PDH
Threaded - GER
Threaded - With Guide
Threaded - Two-Piece
End Plugs
Standard
Centered
Threaded
Heavy
With Oil Inlet
Rear Oil Inlet
With Cushioning and Oil Inlet
With Cross-Hole Oil Inlet
Cross-Hole Mountable
Radial Ball Joints
GE..ES
GE..ES 2RS
GE..LO
GE..HO 2RS
GE..FO
GE..FO 2RS
GE..UK
GE..UK 2RS
GE..FW
GE..FW 2RS
GE..TGR
GE..TGR 2RS
Cylinder and Rod Ends
Internal Thread
External Thread
Weldable
Spherical Base
Collars
Forked
Fork pivots
Ports
Internal Thread
External Thread
Blind
Plastic Plugs
Glycodur Bushings
Rings
Self-Locking Nuts
Sealing kit
Seals
Piston Seals
KGD
Piston rings
KPD
K2
K8
K9
K25
K50
YB(K8)
UP
UN
Groove Rings
UP
UN
Rod Seals
AD
K51
S1
SD
HP Wiper Seal
S2
XAB
S8
Wipers
A27
A3
K30
SA
SAB
SAD
SAG
SMA
SMI
O-Rings
EPDM
FPM
MVQ
NBR70
NBR90
Seal Cords
MVQ
NBR70
Guide Strips
Hard Fabric
PTFE-Bz
Guide Rings
Washers
Copper Washers
Hose Fitting Seals
USIT
Tools
Seal Kits
For Washers
For Cylinders
O-Ring Kit Boxes
X-Rings
Oil Seals
NBR - TC
FPM - TC VIT
Pressure-Resistant NBR - TCN
Pressure-Resistant FPM - TCN VIT
Pneumatics
Pneumatic cylinder seals
Pumps
Axial Piston Pumps
Fixed
Pressure-Regulated
Power-Regulated
Gear Pumps
Motor
Accessories
Single Circuit
Dual Circuit
Triple Circuit
Quadruple Circuit
Internal gear pump
Hand Pumps
Component
Pipeline
Tank
Tank Mountable
Vane Pumps
CAM Ring
Bearing
Screw
Cover
Fixed Displacement
Pressure-Regulated
Retainer
Pin
Cartridge
Housing
Shaft
Seal
Accessories
Pump Brackets
Bracket
Gear Pump
Metric
SAE
Accessories
Couplings
Pipe Diaphragm
Fixed
Gear Ring
Jaw
Star Insert (Spider)
Machined
Raw
P-Type
Protection
Diaphragm pump
Valves
Flow Control Valves
Flow Divider-Combiner
Throttle
Check-Throttle
Three-Way Flow Divider
Two-Way Flow Divider
Hose Break Valve
Pressure Control Valve
Proportional Pressure Reducing Valve
Proportional Pressure Relief Valve
Brake Valve
Dual Brake Valve
Dual Pressure Relief Valve
Shut-Off Valve
Pressure Reducing Valve
Pressure Relief Valve
Sequence Valve
Accessories
Directional Control Valves
Base-Mounted
Pipe-Mounted
Cartridge
Sandwich Plate
Stackable
Accessories
Seat Valve Modules
Cover
Complete
Seat
Accessories
Check Valves
Shuttle Valve
Pilot-Operated Check Valve
Check Valve
Accessories
Electrical Connector
Proportional Controller
Filters
Oil Filler and Air Breather
Element
Complete Metal (A)
Complete Plastic (B)
Air
Breather
Element
Complete Metal (A)
Complete Plastic (B)
Complete Spin-On
Moisture absorbent
Accessories
Off-Line
Element
Complete
Mobile Hydraulics
Element
Air
Cartridge
Pressure Line
Element
Clogging Indicator
Housing
Complete
Accessories
Spin-on
Head
Complete
Cartridge
Suction Line
Element
Clogging Indicator
Housing
Complete
Metal Strainer (B)
Metal Strainer (B) - MPA
Metal Strainer (B) - MPM
Plastic Strainer (A)
Plastic Strainer (A) - STR
Accessories
Return Line
Element
Clogging Indicator
Housing
Complete
Accessories
Water
Element
Housing
Other
Subplates and Housings
Base Plate
FRM16
NG06
Stackable
With Limit Stop
HIGH | LOW
NG10
With Limit Stop
HIGH | LOW
NG16
NG25
Manifold Block
Housing
2-Way
DBD06
DBD10
M20
M42
SAE08
SAE10
SAE12
3-Way
M22
TVTP
Sandwich Plate
Measuring Point
SAE08
Series Block
NG06
NG10
NG16
Switching Plate
End Plate
NG06
NG10
NG16
Hydraulic motors
Gear Motors
Orbit Motors
Steering Orbit
MH
MM
MMS
MP
MR
MRN
MS
MSS
MT
MTS
MV
MVW
Accessories
Torque - Char - Lynn
Torque - TF Series
Seal Kit
Other
Radial Piston Motors
MK Series
ML Series
MS Series
Hydraulic accumulators
Parts
Adapter
Bracket
Clamp
Rubber Ring
Spare Bladder
Seal Kit
Complete Units
Piston Type
Diaphragm Type
Bladder Type
Valve
Safety Valve
Shut-off valve
Valve Needle
Charging Kit
Protective Block
Charging Kit
Heat exchangers
Tube type
Plate type
Air Cooled
Accessories
Diagnostics
Flow Meters
Flow Indicator
Flow Switch
Temperature Gauges
Electrical
Optical
Pressure Switches
Diaphragm
Pressure Switch
Sandwich Plate
Accessories
Spool Type
Vacuum
Pressure Gauges
Non-Damped
Damped
Electronic
Valves
Accessories
Pressure Transmitters
A - 4-20mA
B - 0-10V
Accessories
Sensors
HEDE
Temperature
SCP
SCPSD
Level Indicators
Electrical
Mechanical
Optical
Testers
Hoses
Hydraulic Hoses
Steel Reinforced Hoses
Twin Hoses
Measuring Hoses
Plastic Hoses
Suction Hoses
Textile Reinforced Hoses
Industrial Hoses
Exhaust Hoses
Washing Hoses
Nitrogen Hoses
Pressure Hoses
Push-Lok Hoses
Compressed Air | Water Hoses
Spiral Hoses
Abrasive Blasting Hoses
Suction-Pressure Hoses
Teflon Hoses
Fuel Hoses
Water Hoses
Vacuum hose
Other air | water
Hose Assemblies
Safety
Clamp
Bowden
Hose Fittings
Flange Retainers
Single Piece
Pair
Hose Connectors
Non-Skived
BSP
Straight
Male Threaded
45° Elbow
90° Elbow
Pipe End
Straight
45° Elbow
90° Elbow
French
Straight
Male Threaded
Gas Bottle
JIC
Straight
Male Threaded
45° Elbow
90° Elbow
Karcher
JIS | K
DKOL | CEL
Straight
Male Threaded
45° Elbow
90° Elbow
DKOS | CES
Straight
Male Threaded
45° Elbow
90° Elbow
DKL
Straight
90° Elbow
DKM | Metric 60° Cone
Straight
90° Elbow
NPT
ORFS
Straight
Male Threaded
45° Elbow
90° Elbow
SFL
Straight
45° Elbow
90° Elbow
SFS
Straight
45° Elbow
90° Elbow
Banjo Inch
Banjo Metric
Couplers
JIS / T
Straight
Male Threaded
90° Elbow
Breakaway Safety Connectors
BSP
Straight
45° Elbow
90° Elbow
JIC
Straight
Male Threaded
45° Elbow
90° Elbow
DKOS / CES
Straight
Male Threaded
45° Elbow
90° Elbow
NPT
ORFS
Straight
45° Elbow
90° Elbow
Flanged Caterpillar
Straight
45° Elbow
90° Elbow
SFL
Straight
45° Elbow
90° Elbow
SFS
Straight
45° Elbow
90° Elbow
Measuring Connections
Manometer
Measuring Point
DKOL / CEL
Straight
90° Elbow
DKOS / CES
Reusable Fittings
BSP
Metric
Sleeves
Non-Skived
1SC
1SN / 1SC / 2SC
1SN / 2SN
1SN / 2SN / 2SC
Skived
Breakaway Safety
1SN
1SN / 2SN / 2SC
2SN
4SP
Measuring
Plastic
Suction
Teflon
Textile
Protection
Metal
Heat-Resistant
Plastic
Connectors
Clamps
AWAB
Pipe clamp
Single
Double
Heavy-duty
Rubber-coated
Heavy-duty
Accessories
Other
CETOP Flanges
Fittings
Tube Couplings - ATE
BSPP
Metric thread
Straight adapter - AD
Straight fitting - G
Straight screw-in fitting - GE
Straight Weldable - AS
Miscellaneous
Straight connector - GZ
Straight Reducing Connector - GZR
Straight Screw-On - GAI
Straight Screw-in Insert - EGE
Straight Reducer - GR
Wall-through fitting - SV
Wall-through elbow - WSV
Weldable tube end - SKA
Swivel Nut - M
Coupling - KAR
K-fitting
Elbow Fitting - W
Adjustable Elbow Fitting - WEE, WH
Screw-in Elbow Fitting - WE
Elbow Connector - WZ
Elbow adapter - EW
L-fitting Insert - EL
Elbow 45°
Pressure Gauge Connection - MAV, MAVE, SSV
Test Point - MNMB DKO, EMA3
Reduction adapter - RED
T - fitting
Adjustable T-fitting - TEE, TH
Screw-in T-fitting - TE
T - fitting Insert - ET
Reducing T-fitting - TR
Cutting ring - DKA, DPR, DOZ
Reducer/Changing Adapter - RI
Plug for Swivel Nut - ROV
Plug for Manifold - VSTI
Plug for Swivel Nut - BUZ, VKA
Sealing Swivel Nut - VKAM
Flanged
Stainless Steel Fittings (INOX)
Adjustable elbow
Threaded
Threaded elbow
BSP - NPT
Straight
Straight adapter
EL fitting
ET fitting
Wall-through fitting
Wall-through elbow
Weldable
Union nut
Elbow
Elbow adapter
Manometer fitting
Metric - NPT
Reducer
T fitting
Cutting ring
Flanges
Flange
3000PSI
6000PSI
Straight flange
3000PSI
6000PSI
Counter flange
3000PSI
6000PSI
Elbow flange
3000PSI
6000PSI
SAE gauge
End flange
Rotary Fittings
Straight
Elbow
Quick Couplings
PAV
PBV
PDV
Accessories
PLT
Dust cover
PPV
PVM
PVS
PVV
Other
Compensators
Pump Fittings
Straight
Elbow
Water Fittings
Tap
Quick Coupling
Fitting
Accessories
Check valve
Other
Plumbing Materials
Female - Female
Straight
EL fitting
ET fitting
Elbow
Elbow adapter
Reducer
T fitting
Plug
Sealing Plate
Pneumatics
Connectors
Push-in
Functional fitting
Silencer
Union-type
Fitting
Quick coupling
Manifolds
Other
Quick
Air Preparation Units
Soft start valve
Air preparation unit
Pressure gauges
Pressure regulator
Lubricator
Filter
Filter-regulator
Accessories
Other
Motor
Cylinders
ISO 15552 – Profile
ISO 21287 – Compact
ISO 6432 – Round profile
Clamping
Accessories
Other
Valves
Tubes
PA
PTFE
PU
Other
INOX
Seals
Pneumatic cylinder seals
Manufacturers
Parker
Danfoss
Eaton
MP Filtri
Rexroth
Ronzio
Vickers
2mp
ASA Hydraulik
Denison
EPE
Poclain
Sun
AMI
Atos
B&C
Berarma
Bosch
Brevini
Bucher
Ciocca
Comatrol
Hydac
Kladivar Ziri
TDZ Hydraulics
Tognella
Tokyo Keiki (Tokimec)
Dentex
Supplementary materials
Other machine accessories
Electronics
Connector
Switches
Sensor | Actuator cable
Electric motor accessories
Power supplies
Accessories
Mechanics
Gas spring
Hand tools
Latch
Rail
Belt
Work cylinders
Single-acting
Plunger-type
Screw
Internal keyway
Lubrication system
Connector
PARKER OPEN DAY
Sign up
Log in
Quick Quote
Contact us
Payment, Shipping
Services
Articles
Manufacturers
Contact us
+36 (1) 278 2303
sales@hidraulikastore.com
Hungary - 1211 Budapest Duna lejáró 8.