By using our website, you consent to the use of cookies in accordance with our Cookie Policy.

English

Hungarian
English
Our Products
Radial ball joint - NBGE20FO2RS
9.7160 € + VAT
Qty:pcs

Radial ball joint - NBGE20FO2RS

9.7160 € + VAT
Qty:pcs
Manufacturer article number: NBGE20FO2RS
Model: NGE020FO2R
Availability: Available to order
Manufacturer: --

Description

Description of the GE..FO 2RS type spherical plain bearing
  • GE..FO 2RS type hydraulic cylinder spherical plain bearings are enhanced versions of the GE..FO series, featuring integrated seals on both sides to retain lubricant and keep contaminants out.
  • They have steel sliding surfaces that are durable and reliable under high load conditions.
  • For sealed variants, the operating temperature range is from -30°C to +130°C.
  • They are suitable for grease or oil lubrication, which helps ensure long life and reliable performance.
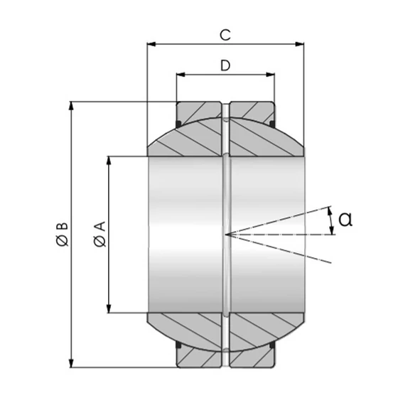
Size chart of the GE..FO 2RS type spherical plain bearing
Size diagram of the GE..FO 2RS type spherical plain bearing

Click on the item number to view the price and stock availability of the selected product.

Item number A B C D α CDA kg
NGE015FO2R 15 30 16 10 16 21.2 0,05
NGE017FO2R 17 35 20 12 19 30 0,08
NGE020FO2R 20 42 25 16 17 48 0,15
NGE025FO2R 25 47 28 18 17 62 0,19
NGE030FO2R 30 55 32 20 17 80 0,29
NGE035FO2R 35 62 35 22 16 100 0,39
NGE040FO2R 40 68 40 25 17 127 0,52
NGE045FO2R 45 75 43 28 15 156 0,68
NGE050FO2R 50 90 56 36 17 245 1,40
NGE060FO2R 60 105 63 40 17 315 2,00
NGE070FO2R 70 120 70 45 16 400 2,90
NGE080FO2R 80 130 75 50 14 490 3,50
NGE090FO2R 90 150 85 55 15 610 5,40
NGE100FO2R 100 160 85 55 14 655 5,90
NGE110FO2R 110 180 100 70 12 950 9,70
NGE120FO2R 120 210 115 70 16 1080 15,00
NGE140FO2R 140 230 130 80 16 1370 18,50
NGE160FO2R 160 260 135 80 16 1530 25,00
NGE180FO2R 180 290 155 100 14 2120 35,50
NGE200FO2R 200 320 165 100 15 2320 45,00